兴千田致力于客户终身价值实现,针对企业不同成长阶段管理需求,从研发、应用、人才、服务等多重维度提供一站式服务支撑。
兴千田精益咨询是一家专注于精益生产13年的咨询机构,合作过众多500强企业精益咨询案例,一对一辅导,拥有正宗日式精益道场,帮助企业降本增效!咨询热线:400-8055-828.
兴千田拥有强大的技术研发团队,不断的研发新LCIA产品,并拍摄制作相关LCIA视频,引领LCIA低成本自动化行业的的先锋!
自働化 :在日语中“动”与“働”是两个不同的汉字,发音和意义都不相同。“动”是直接从中文引进的,“働”则是日本造的汉字。
搜索
下载
精益生产线
动力流水线
低成本自动化
精益管工作台
线棒货架
精益管
3代精益管配件
1/2代精益管配件
脚杯/脚轮
流利条
其他附件
铝型材
电气/机械配件
工具周边
防护用品
周转车
AGV智能物流
先进先出物料架
AGV对接物料架
汽车物流周转器具
线边周转箱托盘
安灯呼叫管理系统
生产状态管理系统
生产节拍控制管理系统
物料拉动管理系统
TPM设备管理系统
品质信息管理系统
产品工艺流程管理系统
统计报表管理系统
精益咨询
精益运营管理咨询
精益人才培养
道场建设咨询
精益思想
精益领导力
现场5S及目视化管理
TPM基础
标准作业
连续流管理模式
快速换模
物料超市系统
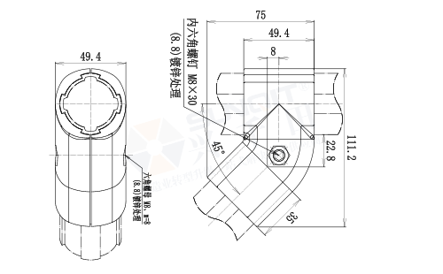
产品介绍:
43mm系列的外抱45°接头,与 45°外接接头(GLT43-J-3003J)相同的功能,但连接刚性更强,与应用于护栏系统的多种选择。
产品参数:
图片展示:
外抱45°接头应用图
外抱45°接头尺寸图
订购:外抱45°接头
精益是东方的思维方式,讲究从宏观的角度出发,整体实施来解决问题,是一种类比法。
MES的定位,是处于计划层和现场自动化系统之间的执行层,主要负责车间生产管理和调度执行。
全天服务,工程师上门服务,现场沟通提出生产线设计方案!
生产管理的专家团队直接深入到工厂,调查分析,为提高生产效率提出合理的建议。
从精益的视角对企业的人力资源实现精细化和准确化管理,最大限度地减少人力资源浪费!
在线咨询
视频直播
免费获方案
免费体验道场
关注微信
全国咨询热线